Описание
Если вы хотите заказать фитинг из нержавеющей стали AISI 316, замените первые две цифры артикула с 10.... на 11....
Если вы хотите заказать фитинг из нержавеющей стали AISI 316 с гайкой из нержавеющей стали AISI 304, замените первые две цифры артикула с 10.... на 14....
Если вы хотите заказать фитинг из нержавеющей стали AISI 316 с гайкой из нержавеющей стали AISI 304, замените первые две цифры артикула с 10.... на 14....
Характеристики
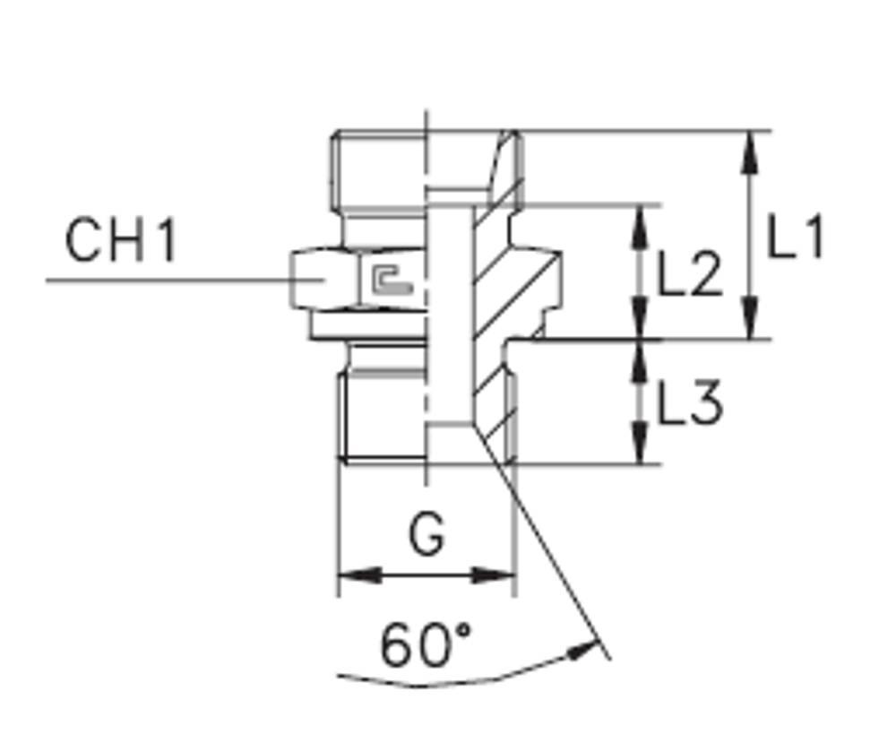
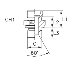
| Артикул | Бренд | CH1 | CH2 | L1 (мм) | L2 (мм) | L3 | L4 | Ø трубы D1 | WP (bar) | резьба G | серия | Стандарт ТС |
| 100335.1 | CAST | 27 | 24 | 25 | 17,5 | 14 | 33,5 | 12 | 630 | 1/2 | S | Соединения 24° DIN 2353 |
Характеристики
WP (bar) рабочее давление
630
D трубы M1 D1
12
Размер CH2
24
Размер CH1
27
Серия
S
Размер L1 (мм)
25
Размер L2 (мм)
17,5
Стандарт трубных соединений
Соединения 24° DIN 2353
Размер резьбы 5
1/2
Размер L3
14
Тип трубного соединения
ввертной
Размер L4
33,5
Отзывы
Отзывов еще никто не оставлял
