Описание
Характеристики
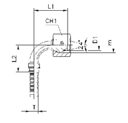
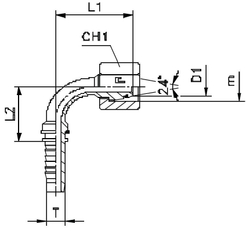
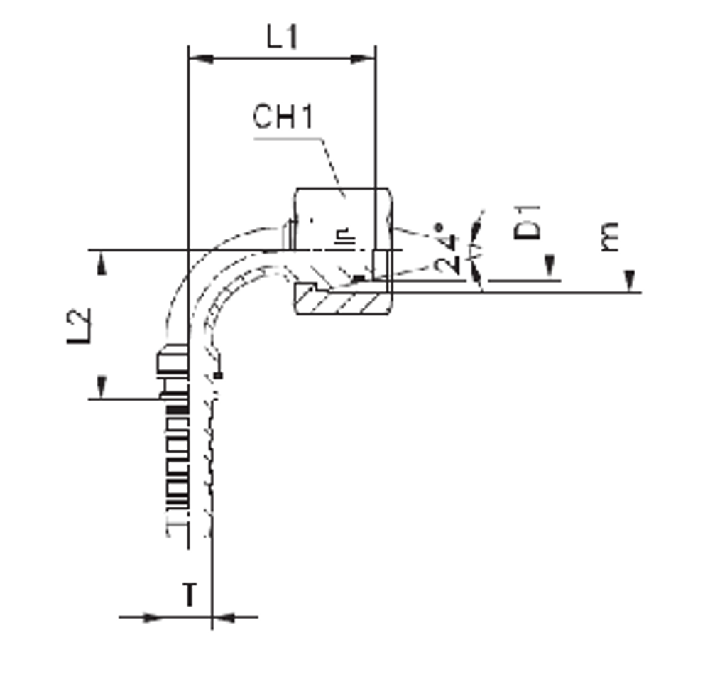
| Артикул | Бренд | D1 | DASH | DN | ID (дюйм) | L1 | L2 | WP (bar) | М |
| 801125 | CAST | 20S | -10 | 16 | 5/8 | 49,5 | 40 | 350 | 30x2 |
Характеристики
WP (bar) рабочее давление
350
Размер M фитинги Каст
30x2
ID (дюйм)
5/8
DN (услов внут диам рукава, фитингов)
16
DASH размер продукции (рукава, фитинги, TC)
-10
Размер L1 фитинги Каст
49,5
Размер L2 фитинги Каст
40
Размер соедин. D1 фитинги Каст
20S
Отзывы
Отзывов еще никто не оставлял
