Описание
Характеристики
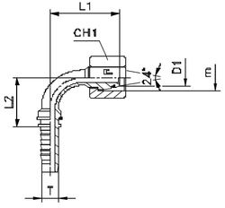
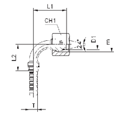
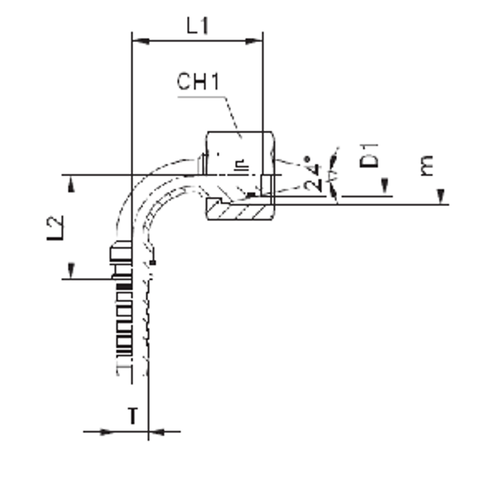
| Артикул | Бренд | D1 | DASH | DN | ID (дюйм) | L1 | L2 | WP (bar) | М |
| 801107 | CAST | 8S | -4 | 6 | 1/4 | 33 | 26 | 450 | 16x1.5 |
Характеристики
WP (bar) рабочее давление
450
Размер M фитинги Каст
16x1.5
ID (дюйм)
1/4
DN (услов внут диам рукава, фитингов)
6
DASH размер продукции (рукава, фитинги, TC)
-4
Размер L1 фитинги Каст
33
Размер L2 фитинги Каст
26
Размер соедин. D1 фитинги Каст
8S
Отзывы
Отзывов еще никто не оставлял
